Inhaltsverzeichnis
Four-Phase Systems
Control Panel
Das einzige Teil, was wir von diesem alten Computer haben, ist sein Control-Panel. Der Prozessor von Four-Phase sollte ja vor dem Intel 4004 entstanden sein.
Input
E1 und E2 sind durch eine Diode gegen Verpolung geschützt
- E1 ist die gemeinsame Masse der Schalter
- E2 ist der gemeinsame VCC aller Schalter. +5V oder +3,3V sind okay
Die original ICs von IV sind zwar vorhanden, aber es wird einfacher sein, diese durch eine Mikrocontroller zu ersetzen.
- jeweils ein Arduino Nano pro IC
- ein Raspberry Pi Pico für alle Eingänge?
Die Entscheidung viel auf Atmel AtTiny2313, da diese für den Zweck ausreichen und ich noch eine ausreichende Anzahl zur Verfügung habe. Die Programmierung geschieht wie gewohnt über die Arduino IDE.
Output
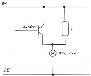
Warum die Birnen konstant über den 1k Widerstand versorgt werden, ist noch nicht klar. Entweder zum Vorheizen der Glühwendel, oder als Anzeige, ob die Birne defekt ist.
Es werden Birnen mit 28V, 20mA Bi-Pin verwendet
Sourcen
git clone bichlmei@nuc:/srv/git_repository/panel.git
Plexiglas
380×111 mm




